
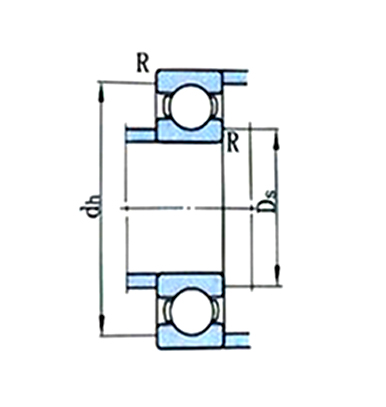
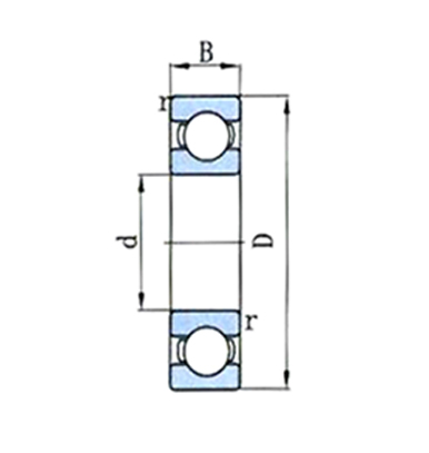
| 询购 | 型号 | 基本尺寸 (mm) | 基本额定负荷 (kN) | 详情 | |||
| d | D | B | rmin | Cr | |||
| |
176 6076M | 380 | 560 | 82 | 5 | 420 | |
| |
1000880 61880M | 400 | 500 | 46 | 2.1 | 225 | |
| |
1000980 61980M | 400 | 540 | 65 | 4 | 350 | |
| |
180 6080M | 400 | 600 | 90 | 5 | 500 | |
| |
184 6084M | 420 | 620 | 90 | 5 | 490 | |
| |
1000984K 61984 | 420 | 560 | 65 | 4 | 320 | |
| |
1000888 61888M | 440 | 540 | 46 | 2 | 240 | |
| |
1000988K 61988 | 440 | 600 | 74 | 4 | 380 | |
| |
188 6088M | 440 | 650 | 94 | 6 | 525 | |
| |
1000892 61892M | 460 | 580 | 56 | 3 | 304 | |
| |
1000992K 61992 | 460 | 620 | 74 | 4 | 405 | |
| |
10008/500 618/500M | 500 | 620 | 56 | 6 | 325 | |
| |
619/500X3 619/500X3 | 500 | 660 | 75 | 5 | 395 | |
| |
10009/500 619/500M | 500 | 670 | 78 | 5 | 445 | |
| |
1/500 60/500M | 500 | 720 | 100 | 6 | 575 | |
| |
1/560 60/560M | 560 | 820 | 115 | 6 | 600 | |
| |
10008/560 618/560M | 560 | 680 | 56 | 2.1 | 331 | |
| |
10009/630 619/630M | 630 | 850 | 100 | 6 | 590 | |
| |
10008/670 618/670 | 670 | 820 | 69 | 4 | 445 | |
版权@2017瓦房店光阳轴承股份有限公司 辽ICP备19015531号-1