
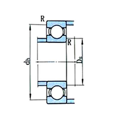
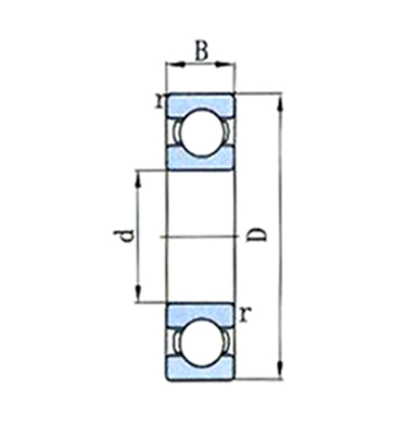
| 询购 | 型号 | 基本尺寸 (mm) | 基本额定负荷 (kN) | 详情 | |||
| d | D | B | rmin | Cr | |||
| |
925 925 | 127 | 228.6 | 34.925 | 2 | 148 | |
| |
1000926 61926M | 130 | 180 | 24 | 1.5 | 65.0 | |
| |
1000926K 61926 | 130 | 180 | 24 | 1.5 | 65.0 | |
| |
726K 726 | 130 | 190 | 19 | 0.7 | 56.0 | |
| |
726 726M | 130 | 190 | 19 | 0.7 | 56.0 | |
| |
7000126 16026M | 130 | 200 | 22 | 1.1 | 79.5 | |
| |
7000126K 16026 | 130 | 200 | 22 | 1.1 | 79.5 | |
| |
126K 6026 | 130 | 200 | 33 | 2 | 109 | |
| |
126 6026M | 130 | 200 | 33 | 2 | 109 | |
| |
226K 6226 | 130 | 230 | 40 | 3 | 153 | |
| |
326K 6326 | 130 | 280 | 58 | 4 | 251 | |
| |
326 6326M | 130 | 280 | 58 | 4 | 251 | |
| |
1000828 61828M | 140 | 175 | 18 | 1.1 | 37.0 | |
| |
1000928 61928M | 140 | 190 | 24 | - | 64.0 | |
| |
7000128 16028M | 140 | 210 | 22 | 1.1 | 80.5 | |
| |
128 6028 | 140 | 210 | 33 | 2 | 106 | |
| |
128 6028M | 140 | 210 | 33 | 2 | 106 | |
| |
228K 6228 | 140 | 250 | 42 | 3 | 166 | |
| |
228 6228M | 140 | 250 | 42 | 3 | 166 | |
| |
328K 6328 | 140 | 300 | 62 | 4 | 211 | |
| |
328 6328M | 140 | 300 | 62 | 4 | 253 | |
版权@2017瓦房店光阳轴承股份有限公司 辽ICP备19015531号-1