
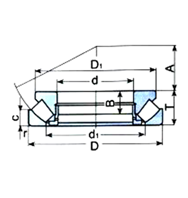
| 询购 | 型号 | 基本尺寸 (mm) | 其它尺寸 (mm) | 详情 | |||
| d | D | T | d1 | D1 | |||
| |
9039292 29292 | 460 | 620 | 95 | 525.5 | 590 | |
| |
9039492 29492 | 460 | 800 | 206 | 596 | 737 | |
| |
9039496 29496 | 480 | 850 | 224 | 625 | 770 | |
| |
90392/500 292/500 | 500 | 670 | 103 | 570 | 654 | |
| |
90393/500 293/500 | 500 | 750 | 150 | 601.5 | 709.4 | |
| |
90394/500 294/500 | 500 | 870 | 224 | 648 | 790 | |
| |
90392/530 292/530 | 530 | 710 | 109 | 604 | 680 | |
| |
90394/530 294/530 | 530 | 920 | 236 | 683.5 | 840 | |
| |
90392/560 292/560 | 560 | 750 | 115 | 640 | 715 | |
| |
90393/560 293/560 | 560 | 850 | 175 | 676.5 | 800 | |
| |
90394/710 294/710 | 710 | 1220 | 308 | 917 | 1110 | |
| |
90394/750 294/750 | 750 | 1280 | 315 | 965 | 1168 | |
| |
90392/800 292/800 | 800 | 1060 | 155 | 907.5 | 1010 | |
| |
90392/1060 292/1060 | 1060 | 1400 | 206 | 1208 | 1335 | |
版权@2017瓦房店光阳轴承股份有限公司 辽ICP备19015531号-1