
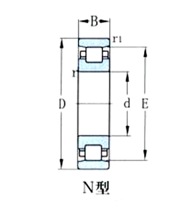
| 询购 | 型号 | 基本尺寸 (mm) | 详情 | ||||
| d | D | B | rmin | r1min | |||
| |
2740 | 200 | 320 | 48 | 2.1 | 2.1 | |
| |
NU3040X3 | 200 | 320 | 88.9 | 3 | 3 | |
| |
2240 N240 | 200 | 360 | 58 | 4 | 4 | |
| |
32240 NU240 | 200 | 360 | 58 | 4 | 4 | |
| |
42240 NJ240 | 200 | 360 | 58 | 4 | 4 | |
| |
2540E N2240E | 200 | 360 | 98 | 4 | 4 | |
| |
42540 NJ2240 | 200 | 360 | 98 | 4 | 4 | |
| |
32540E NU2240E | 200 | 360 | 98 | 4 | 4 | |
| |
92540 NUP2240 | 200 | 360 | 98 | 4 | 4 | |
| |
NU2340X3 | 200 | 400 | 122 | 5 | 5 | |
| |
3032340 NU3340 | 200 | 420 | 165 | 5 | 5 | |
| |
3092340 NUP3340 | 200 | 420 | 165 | 5 | 5 | |
| |
2640 N2340 | 200 | 420 | 138 | 5 | 5 | |
| |
32340 NU340 | 200 | 420 | 80 | 5 | 5 | |
| |
2032944Q NU2944Q1 | 220 | 300 | 48 | 2.1 | 1.5 | |
| |
32144W NU1044F1 | 220 | 340 | 56 | 3 | 3 | |
| |
42144 NJ1044 | 220 | 340 | 56 | 3 | 3 | |
| |
32844 | 220 | 350 | 98.4 | 2.1 | 2.1 | |
| |
32644 NU2344 | 220 | 460 | 145 | 5 | 5 | |
版权@2017瓦房店光阳轴承股份有限公司 辽ICP备19015531号-1