
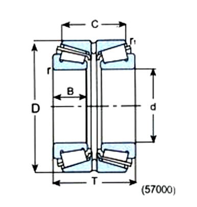
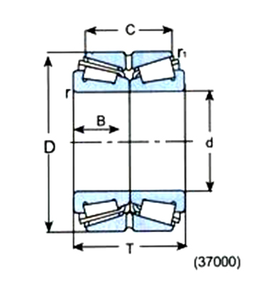
| 询购 | 型号 | 基本尺寸 (mm) | 详情 | ||||
| d | D | T | C | B | |||
| |
879/500 879/500 | 501.65 | 711.2 | 250.825 | 106.363 | 250.825 | |
| |
332171 332171 | 510.13 | 800 | 285 | 100 | 285 | |
| |
10979/530 3519/530 | 530 | 710 | 190 | 136 | 82 | |
| |
878/530 878/530 | 530 | 730 | 250 | 104 | 250 | |
| |
877/570 877/570 | 570 | 750 | 240 | 100 | 240 | |
| |
10979/600 3519/600 | 600 | 800 | 205 | 156 | 90 | |
| |
524241 879/635 | 635 | 939.8 | 304.8 | 110 | 304.8 | |
| |
10979/710 3519/710 | 710 | 950 | 240 | 175 | 106 | |
| |
3519/750X2/HC | 750 | 1000 | 255 | 190 | 112 | |
| |
10979/750 3519/750 | 750 | 1000 | 264 | 194 | 112 | |
| |
10979/900 3519/800 | 800 | 1060 | 270 | 204 | 115 | |
| |
10979/850 3519/850 | 850 | 1120 | 268 | 188 | 118 | |
| |
10979/900 3519/900 | 900 | 1180 | 275 | 205 | 122 | |
| |
10979/1120 3519/1120 | 1120 | 1460 | 335 | 250 | 158 | |
版权@2017瓦房店光阳轴承股份有限公司 辽ICP备19015531号-1