
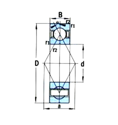
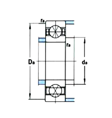
| 询购 | 型号 | 基本尺寸 (mm) | 基本额定负荷 (kN) | 详情 | |||
| d | D | B | r1.2min | Cr | |||
| |
176148QK QJ1048N2Q1 | 240 | 360 | 56 | 3 | 425 | |
| |
176148QK QJ1048N2Q1 | 240 | 360 | 56 | 3 | 425 | |
| |
176952 QJ1952E | 260 | 360 | 46 | 2.1 | 385 | |
| |
116952K | 260 | 369.5 | 60 | 2.1 | 385 | |
| |
116752YS | 260 | 374.5 | 60 | 2.1 | 298 | |
| |
176152 QJ1052M | 260 | 400 | 65 | 4 | 500 | |
| |
176156 QJ1056M | 280 | 420 | 65 | 4 | 530 | |
| |
116156 QJF1056 | 280 | 420 | 65 | 4 | 530 | |
| |
116160 QJF1060 | 300 | 460 | 74 | 4 | 600 | |
| |
QJF9/560X1 | 560 | 780 | 60 | 5 | 685 | |
版权@2017瓦房店光阳轴承股份有限公司 辽ICP备19015531号-1