
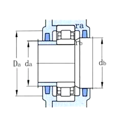
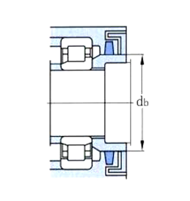
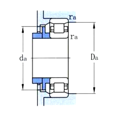
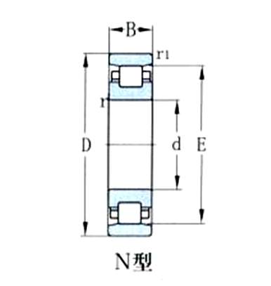
| 询购 | 型号 | 基本尺寸 (mm) | 详情 | ||||
| d | D | B | rmin | r1min | |||
| |
228/666.75 NFP6/666.75 | 666.75 | 838.2 | 114.3 | 4 | 4 | |
| |
10929/670 NUP19/670 | 670 | 900 | 103 | 6 | 6 | |
| |
10329/670 NU19/670 | 670 | 900 | 103 | 6 | 6 | |
| |
20328/670 NU28/670 | 670 | 820 | 88 | 4 | 4 | |
| |
927/700 | 700 | 930 | 160 | 7.5 | 7.5 | |
| |
20028/710 N28/710 | 710 | 870 | 95 | 4 | 4 | |
| |
928/710 NUP6/710 | 710 | 900 | 115 | 5 | 5 | |
| |
229/723Q | 723.795 | 908.05 | 120.65 | 5 | 5 | |
| |
928/750 NUP6/750 | 750 | 950 | 120 | 5 | 5 | |
| |
NU18/800X3 | 800 | 988 | 87 | 5 | 5 | |
| |
NU18/950X3 | 950 | 1160 | 98 | 5 | 5 | |
| |
20929/920 NUP29/950 | 950 | 1250 | 175 | 7.5 | 7.5 | |
| |
10329/1060 NU19/1060 | 1060 | 1400 | 150 | 9.5 | 9.5 | |
| |
328/1200 NU6/1200 | 1200 | 1520 | 185 | 7.5 | 7.5 | |
| |
10328/1250 NU18/1250 | 1250 | 1500 | 112 | 6 | 6 | |
| |
10328/1600 NU18/1600 | 1600 | 1950 | 155 | 13 | 13 | |
版权@2017瓦房店光阳轴承股份有限公司 辽ICP备19015531号-1