
| 询购 | 型号 | 基本尺寸 (mm) | 基本额定负荷 (kN) | 详情 | |||
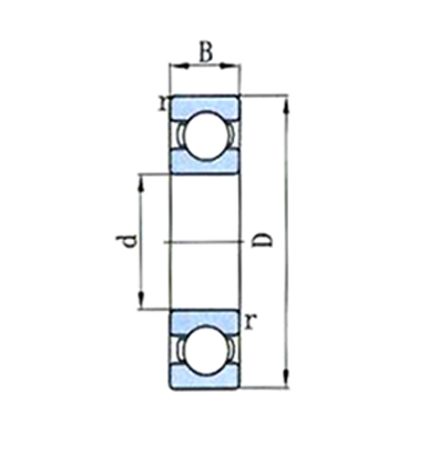
| d | D | B | rmin | Cr | |||
| |
110K 6010 | 50 | 80 | 16 | 1 | 22.0 | |
| |
210K 6210 | 50 | 90 | 20 | 1.1 | 35.0 | |
| |
310 6310M | 50 | 110 | 27 | 2 | 62.0 | |
| |
310K 6310 | 50 | 110 | 27 | 2 | 62.0 | |
| |
810 810 | 50 | 111 | 27 | 2.3 | 62.0 | |
| |
410K 6410 | 50 | 130 | 31 | 2.1 | 88.0 | |
| |
211K 6211 | 55 | 100 | 21 | 1.5 | 44.3 | |
| |
311K 6311 | 55 | 120 | 29 | 2 | 71.5 | |
| |
311 6311M | 55 | 120 | 29 | 2 | 71.5 | |
| |
411K 6411 | 55 | 140 | 33 | 2.1 | 95.0 | |
| |
112K 6012 | 60 | 95 | 18 | 1.1 | 30.0 | |
| |
112 6012M | 60 | 95 | 18 | 1.1 | 30.0 | |
| |
212K 6212 | 60 | 110 | 22 | 1.5 | 53.0 | |
| |
312K 6312 | 60 | 130 | 31 | 2.1 | 82.0 | |
| |
312 6312M | 60 | 130 | 31 | 2.1 | 82.0 | |
| |
412K 6412 | 60 | 130 | 31 | 2.1 | 82.0 | |
| |
412 6412M | 60 | 150 | 35 | 2.1 | 107 | |
| |
1000913K 61913 | 65 | 90 | 13 | 1 | 19.9 | |
| |
113K 6013 | 65 | 100 | 18 | 1.1 | 32.0 | |
| |
113 6013M | 65 | 100 | 18 | 1.1 | 32.0 | |
版权@2017瓦房店光阳轴承股份有限公司 辽ICP备19015531号-1