
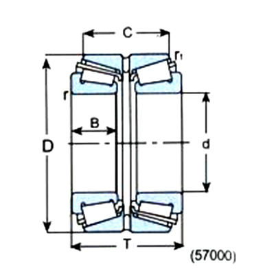
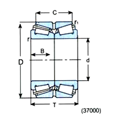
| 询购 | 型号 | 基本尺寸 (mm) | 详情 | ||||
| d | D | T | C | B | |||
| |
2097938 352938X2 | 190 | 260 | 95 | 75 | 42 | |
| |
2097138 352038X2 | 190 | 290 | 134 | 104 | 60 | |
| |
2097738 352138 | 190 | 320 | 170 | 130 | 76 | |
| |
2097940 352940X2 | 200 | 280 | 110 | 85 | 48 | |
| |
352040X2-1 | 200 | 310 | 151 | 118 | 66 | |
| |
352040X2 | 200 | 310 | 151 | 120 | 66 | |
| |
2097740 352140 | 200 | 340 | 184 | 150 | 82 | |
| |
97540E 352240 | 200 | 360 | 218 | 98 | 174 | |
| |
37741 351041X2D1 | 205 | 320 | 150 | 110 | 75 | |
| |
2097944 352944X2 | 220 | 300 | 110 | 88 | 48 | |
| |
2097144 352044X2 | 220 | 340 | 165 | 130 | 72 | |
| |
2097744 352144 | 220 | 370 | 195 | 150 | 88 | |
| |
350645D1 | 225 | 360 | 146 | 111 | 73.25 | |
| |
350646D1 | 230 | 355 | 145 | 110 | 72.5 | |
| |
2097948 352948X2 | 240 | 320 | 104 | 82 | 48 | |
| |
2097948K 352948X2-1 | 240 | 320 | 110 | 87 | 48 | |
版权@2017瓦房店光阳轴承股份有限公司 辽ICP备19015531号-1