
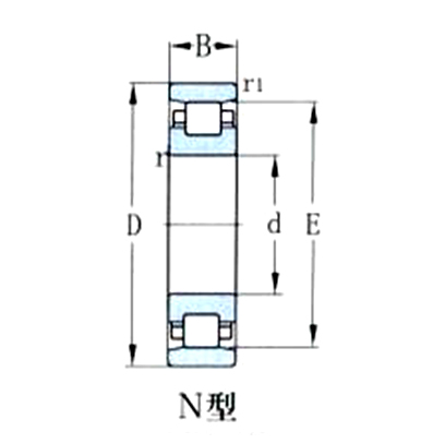
| 询购 | 型号 | 基本尺寸 (mm) | 详情 | ||||
| d | D | B | rmin | r1min | |||
| |
2216E N216E | 80 | 140 | 26 | 2 | 2 | |
| |
42216E NJ216E | 80 | 140 | 26 | 2 | 2 | |
| |
42516 NJ2216 | 80 | 140 | 33 | 2 | 2 | |
| |
32516E NU2216E | 80 | 140 | 33 | 2 | 2 | |
| |
2516E N2216E | 80 | 140 | 33 | 2 | 2 | |
| |
92516E NUP2216E | 80 | 140 | 33 | 2 | 2 | |
| |
NU5216 | 80 | 140 | 44.5 | 2 | 2 | |
| |
2310E N316E | 80 | 170 | 39 | 2.1 | 2.1 | |
| |
2316 N316 | 80 | 170 | 39 | 2.1 | 2.1 | |
| |
42316E NJ316E | 80 | 170 | 39 | 2.1 | 2.1 | |
| |
32316E NU316E | 80 | 170 | 39 | 2.1 | 2.1 | |
| |
32316 NU316 | 80 | 170 | 39 | 2.1 | 2.1 | |
| |
42316 NJ316 | 80 | 170 | 39 | 2.1 | 2.1 | |
| |
32616E NU2316E | 80 | 170 | 58 | 2.1 | 2.1 | |
| |
2616 N2316 | 80 | 170 | 58 | 2.1 | 2.1 | |
| |
2616E N2316E | 80 | 170 | 58 | 2.1 | 2.1 | |
| |
32616 NU2316 | 80 | 170 | 58 | 2.1 | 2.1 | |
| |
42616 NJ2316 | 80 | 170 | 58 | 2.1 | 2.1 | |
| |
42616E NJ2316E | 80 | 170 | 58 | 2.1 | 2.1 | |
| |
N6016 | 80 | 170 | 60 | 3 | 3 | |
版权@2017瓦房店光阳轴承股份有限公司 辽ICP备19015531号-1