
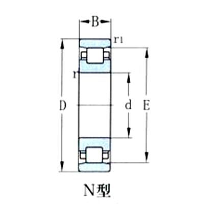
| 询购 | 型号 | 基本尺寸 (mm) | 详情 | ||||
| d | D | B | rmin | r1min | |||
| |
42128 NJ1028 | 140 | 210 | 33 | 2 | 2 | |
| |
32128 NU1028 | 140 | 210 | 33 | 2 | 2 | |
| |
3032128 NU3028 | 140 | 210 | 53 | 2 | 1.1 | |
| |
32828 | 140 | 220 | 36 | 2.3 | 2.3 | |
| |
32228E NU228E | 140 | 250 | 42 | 3 | 3 | |
| |
2228E N228E | 140 | 250 | 42 | 3 | 3 | |
| |
42228E NJ228E | 140 | 250 | 42 | 3 | 3 | |
| |
2228 N228 | 140 | 250 | 42 | 3 | 3 | |
| |
2228Q N228Q1 | 140 | 250 | 42 | 3 | 3 | |
| |
32228 NU228 | 140 | 250 | 42 | 3 | 3 | |
| |
32228EQ NU228EQ1 | 140 | 250 | 42 | 3 | 3 | |
| |
42228 NJ228 | 140 | 250 | 42 | 3 | 3 | |
| |
92228 NUP228 | 140 | 250 | 42 | 3 | 3 | |
| |
42528E NJ2228E | 140 | 250 | 68 | 3 | 3 | |
| |
32528E NU2228E | 140 | 250 | 68 | 3 | 3 | |
| |
32528 NU2228 | 140 | 250 | 68 | 3 | 3 | |
| |
42528 NJ2228 | 140 | 250 | 68 | 3 | 3 | |
| |
42728 | 140 | 250 | 80 | 3 | 3 | |
| |
NU5228 | 140 | 250 | 82.5 | 5.1 | 3 | |
| |
502328 RN328 | 140 | 260 | 62 | 4 | 4 | |
版权@2017瓦房店光阳轴承股份有限公司 辽ICP备19015531号-1