
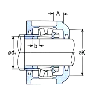
| 询购 | 型号 | 紧固件尺寸 (mm) | 详情 | ||||
| d1 | B1 | d2 | B2 | B3 | |||
| |
22222SRK+H322X | 100 | 77 | 145 | 21 | - | |
| |
21322RK+H322X | 100 | 77 | 145 | 21 | - | |
| |
21322RHK+H322X | 100 | 77 | 145 | 21 | - | |
| |
23122RK+H3122X | 100 | 81 | 145 | 21 | - | |
| |
23122RHK+H3122X | 100 | 81 | 145 | 21 | - | |
| |
23222RK+H2322X | 100 | 105 | 145 | 21 | - | |
| |
23222RHK+H2322X | 100 | 105 | 145 | 21 | - | |
| |
22322RK+H2322X | 100 | 105 | 145 | 21 | - | |
| |
22322RHK+H2322X | 100 | 105 | 145 | 21 | - | |
| |
23024RK+H3024 | 110 | 72 | 145 | 22 | - | |
| |
23024RHK+H3024 | 110 | 72 | 145 | 22 | - | |
| |
23124RK+H3124 | 110 | 88 | 155 | 22 | - | |
| |
23124RHK+H3124 | 110 | 88 | 155 | 22 | - | |
| |
22224RK+H3124 | 110 | 88 | 155 | 22 | - | |
| |
22224RHK+H2324 | 110 | 88 | 155 | 22 | - | |
| |
22224SRK+H3124 | 110 | 88 | 155 | 22 | - | |
| |
23224RK+H2324 | 110 | 112 | 150 | 22 | - | |
| |
23224RHK+H2324 | 110 | 112 | 150 | 22 | - | |
| |
22324RK+H2324 | 110 | 112 | 155 | 22 | - | |
| |
22324RHK+H2324 | 110 | 112 | 155 | 22 | - | |
| |
23026RK+H3026 | 115 | 80 | 155 | 23 | - | |
| |
23026RHK+H3026 | 115 | 80 | 155 | 23 | - | |
| |
23126RK+H3126 | 115 | 92 | 165 | 23 | - | |
| |
23126RHK+H3126 | 115 | 92 | 165 | 23 | - | |
版权@2017瓦房店光阳轴承股份有限公司 辽ICP备19015531号-1