
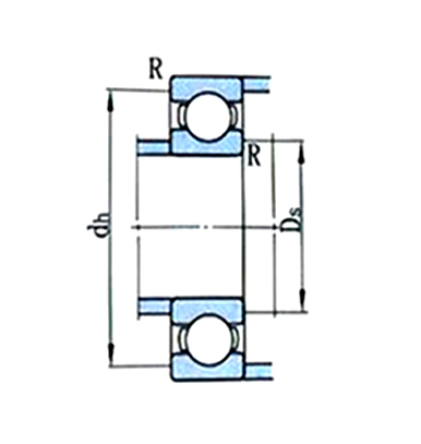
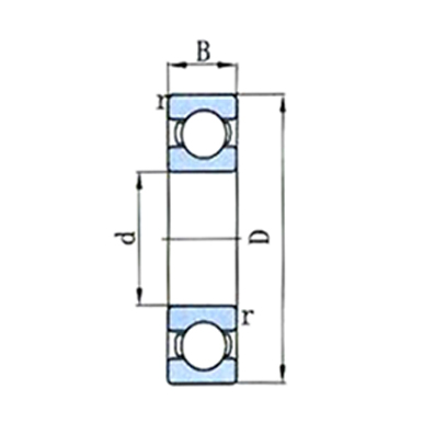
| 询购 | 型号 | 基本尺寸 (mm) | 基本额定负荷 (kN) | 详情 | |||
| d | D | B | rmin | Cr | |||
| |
61960X1 61960X1 | 300 | 419.5 | 56 | 3 | 265 | |
| |
1000960 61960M | 300 | 420 | 56 | 4 | 265 | |
| |
6060X1 6060X1 | 300 | 459.5 | 74 | 4 | 289 | |
| |
7000160 16060M | 300 | 460 | 50 | 4 | 260 | |
| |
160 6060M | 300 | 460 | 74 | 4 | 289 | |
| |
1000860 61860M | 300 | 380 | 38 | 2.1 | 170 | |
| |
1000864 61864M | 320 | 400 | 38 | 2.1 | 172 | |
| |
164 6064M | 320 | 480 | 74 | 4 | 356 | |
| |
864 864 | 320 | 412 | 38 | 2.5 | 180 | |
| |
1000964 61964M | 320 | 440 | 56 | 3 | 278 | |
| |
1000868 61868M | 340 | 420 | 38 | 2.1 | 160 | |
| |
1000968 61968M | 340 | 460 | 56 | 3 | 282 | |
| |
168 6068M | 340 | 520 | 82 | 5 | 403 | |
| |
1000872 61872M | 360 | 440 | 38 | 2.1 | 173 | |
| |
172 6072M | 360 | 540 | 82 | 5 | 443 | |
| |
1000972 61972M | 360 | 480 | 56 | 3 | 282 | |
| |
1000876K 61876 | 380 | 480 | 46 | 2.1 | 232 | |
| |
1000976 61976M | 380 | 520 | 65 | 4 | 335 | |
| |
7000976 16976M | 380 | 520 | 44 | 4 | 266 | |
| |
1000976 61976M | 380 | 520 | 65 | 4 | 353 | |
版权@2017瓦房店光阳轴承股份有限公司 辽ICP备19015531号-1