
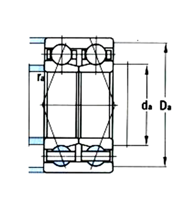
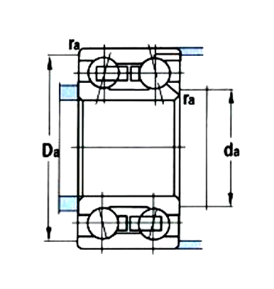
| 询购 | 型号 | 基本尺寸 (mm) | 基本额定负荷 (kN) | 详情 | |||
| d | D | B | r1.2 | Cr | |||
| |
3056209 3209 | 45 | 85 | 30.2 | 1.1 | 50.5 | |
| |
3056212 3212 | 60 | 110 | 36.5 | 1.5 | 82 | |
| |
3056213 3213Y | 65 | 120 | 38.1 | 1.5 | 91 | |
| |
3086313 3313DY | 65 | 140 | 58.74 | 2.1 | 160 | |
| |
3086215 3215DY | 75 | 130 | 41.3 | 1.5 | 110 | |
| |
3056215 3215 | 75 | 130 | 41.3 | 1.5 | 105 | |
| |
3086315 3315DY | 75 | 160 | 68.3 | 2.1 | 205 | |
| |
3056315 3315 | 75 | 160 | 68.3 | 2.1 | 200 | |
| |
3056316 3316 | 80 | 170 | 68.3 | 2.1 | 220 | |
| |
4086918 | 90 | 137.5 | 70 | 2.1 | 128 | |
| |
3056220 3220Y | 100 | 180 | 60.3 | 2.1 | 195 | |
| |
3056322 3322 | 110 | 240 | 92.1 | 3 | 355 | |
| |
4088132 4032D | 160 | 240 | 80 | 2.1 | 205 | |
| |
86736 4936X3D | 180 | 259.5 | 66 | 2.1 | 280 | |
版权@2017瓦房店光阳轴承股份有限公司 辽ICP备19015531号-1