
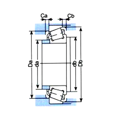
| 询购 | 型号 | 基本尺寸 (mm) | 详情 | ||||
| d | D | T | B | C | |||
| |
2007112E 32012 | 60 | 95 | 23 | 23 | 17.5 | |
| |
3007712 33112 | 60 | 100 | 30 | 30 | 23 | |
| |
7212E 30212 | 60 | 110 | 23.75 | 22 | - | |
| |
7512E 32212 | 60 | 110 | 29.75 | 28 | 24 | |
| |
7312E 30312 | 60 | 130 | 33.5 | 31 | 26 | |
| |
27312E 31312 | 60 | 130 | 33.5 | 31 | 22 | |
| |
7612E 32312 | 60 | 130 | 48.5 | 46 | 37 | |
| |
2007113 32013X2 | 65 | 100 | 23.3 | 22 | 19 | |
| |
3007113 33013 | 65 | 100 | 27 | 27 | 21 | |
| |
7213E 30213 | 65 | 120 | 24.75 | 23 | 20 | |
| |
7513E 32213 | 65 | 120 | 32.75 | 31 | 27 | |
| |
7513 7513 | 65 | 120 | 33 | 31 | 27 | |
| |
33213 | 65 | 120 | 41 | 41 | 32 | |
| |
7713E 7713E | 65 | 130 | 45 | 43 | 35 | |
| |
27313E 31313 | 65 | 140 | 36 | 33 | 23 | |
| |
7313E 30313 | 65 | 140 | 36 | 33 | 28 | |
| |
27713E 27713E | 65 | 140 | 40 | 39 | 26 | |
版权@2017瓦房店光阳轴承股份有限公司 辽ICP备19015531号-1