
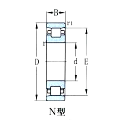
| 询购 | 型号 | 基本尺寸 (mm) | 详情 | ||||
| d | D | B | rmin | r1min | |||
| |
32332 NU332 | 160 | 340 | 68 | 4 | 4 | |
| |
32332EQ NU332EQ1 | 160 | 340 | 68 | 4 | 4 | |
| |
92332 NUP332 | 160 | 340 | 68 | 4 | 4 | |
| |
42332 NJ332 | 160 | 340 | 68 | 4 | 4 | |
| |
42632 NJ2332 | 160 | 340 | 114 | 4 | 4 | |
| |
2632 N2332 | 160 | 340 | 114 | 4 | 4 | |
| |
32632 NU2332 | 160 | 340 | 114 | 4 | 4 | |
| |
1002934 N1934 | 170 | 230 | 28 | 2 | 2 | |
| |
32134 NU1034 | 170 | 260 | 42 | 2.1 | 2.1 | |
| |
42134 NJ1034 | 170 | 260 | 42 | 2.1 | 2.1 | |
| |
2834 | 170 | 265 | 42 | 2.1 | 2.1 | |
| |
2234 N234 | 170 | 310 | 52 | 4 | 4 | |
| |
92234 NUP234 | 170 | 310 | 52 | 4 | 4 | |
| |
32234 NU234 | 170 | 310 | 52 | 4 | 4 | |
| |
32234Q NU234Q1 | 170 | 310 | 52 | 4 | 4 | |
| |
42234 NJ234 | 170 | 310 | 52 | 4 | 4 | |
| |
32534E NU2234E | 170 | 310 | 86 | 4 | 4 | |
| |
2334 N334 | 170 | 360 | 72 | 4 | 4 | |
| |
32334 NU334 | 170 | 360 | 72 | 4 | 4 | |
| |
42334 NJ334 | 170 | 360 | 72 | 4 | 4 | |
版权@2017瓦房店光阳轴承股份有限公司 辽ICP备19015531号-1