
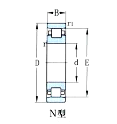
| 询购 | 型号 | 基本尺寸 (mm) | 详情 | ||||
| d | D | B | rmin | r1min | |||
| |
32260 NU260 | 300 | 540 | 85 | 5 | 5 | |
| |
32360 NU360 | 300 | 620 | 109 | 7.5 | 7.5 | |
| |
125RIJ550 | 317.5 | 419.1 | 50.8 | 4 | 4 | |
| |
140RIU600 | 317.5 | 419.1 | 50.8 | 4 | 4 | |
| |
1032964 NU1964MA | 320 | 440 | 56 | 3 | 3 | |
| |
2164 N1064 | 320 | 480 | 74 | 4 | 4 | |
| |
42164 NJ1064 | 320 | 480 | 74 | 4 | 4 | |
| |
32164 NU1064 | 320 | 480 | 74 | 4 | 4 | |
| |
92164 NUP1064 | 320 | 480 | 74 | 4 | 4 | |
| |
NU1968X1 | 340 | 440 | 56 | 2 | 2 | |
| |
32168 NU1068 | 340 | 520 | 82 | 5 | 5 | |
| |
135RIU580 | 342.9 | 457.2 | 57.15 | 4 | 4 | |
| |
32172 NU1072 | 360 | 540 | 82 | 5 | 5 | |
| |
32572E NU2272E | 360 | 650 | 170 | 6 | 6 | |
| |
42372E NJ372E | 360 | 750 | 125 | 7.5 | 7.5 | |
| |
92672 NUP2372 | 360 | 750 | 224 | 7.5 | 7.5 | |
| |
32672 NU2372 | 360 | 750 | 224 | 7.5 | 7.5 | |
| |
3032772 NU3172 | 360 | 600 | 192 | 5 | 5 | |
| |
145RIU610 | 368.3 | 495.3 | 63.5 | 5 | 5 | |
| |
42180 NJ1080 | 400 | 600 | 90 | 5 | 5 | |
版权@2017瓦房店光阳轴承股份有限公司 辽ICP备19015531号-1