
| 询购 | 型号 | 基本尺寸 (mm) | 详情 | ||||
| d | D | 2B | r1.2min | r3.4min | |||
| |
246315 7315AC/DB | 75 | 160 | 74 | 2.1 | 1.1 | |
| |
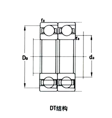
446315 7315AC/DT | 75 | 160 | 74 | 2.1 | 1.1 | |
| |
446315Q 7315AC/DT | 75 | 160 | 74 | 2.1 | 1.1 | |
| |
466315 7315B/DT | 75 | 160 | 74 | 2.1 | 1.1 | |
| |
246116 7016AC/DB | 80 | 125 | 44 | 1.1 | 0.6 | |
| |
246216Q 7216ACQ5/DB | 80 | 140 | 52 | 2 | 1 | |
| |
466316 7316BM/DT | 80 | 170 | 78 | 2.1 | 1.1 | |
| |
446416 7416AC/DT | 80 | 200 | 96 | 3 | 1.1 | |
| |
266217 7217B/DB | 85 | 150 | 56 | 2 | 1 | |
| |
246317 7317AC/DB | 85 | 180 | 82 | 3 | 1.1 | |
| |
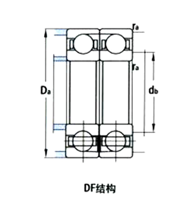
346317 7317AC/DF | 85 | 180 | 82 | 3 | 3 | |
| |
346219Q1 7219ACQ5/DF | 95 | 170 | 64 | 2.1 | 1.1 | |
| |
246319 7319AC/DB | 95 | 200 | 90 | 3 | 1.1 | |
| |
246220 7220AC/DB | 100 | 180 | 68 | 2.1 | 1.1 | |
| |
466320 7320BT/DT | 100 | 215 | 94 | 3 | 1.1 | |
| |
236222 7222C/DB | 110 | 200 | 76 | 2.1 | 1.1 | |
| |
446322 7322AC/DT | 110 | 240 | 100 | 3 | 1.1 | |
| |
266322 7322BM/DB | 110 | 240 | 100 | 3 | 1.1 | |
版权@2017瓦房店光阳轴承股份有限公司 辽ICP备19015531号-1