
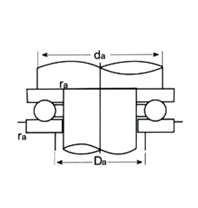
| 询购 | 型号 | 基本尺寸 (mm) | 基本额定负荷 (kN) | 详情 | |||
| d | D | H | rmin | Cr | |||
| |
8132K 51132J | 160 | 200 | 31 | 1.5 | 121 | |
| |
8132 51132 | 160 | 200 | 31 | 1.5 | 121 | |
| |
8232 51232 | 160 | 225 | 51 | 1.5 | 266 | |
| |
8232K 51232J | 160 | 225 | 51 | 1.5 | 266 | |
| |
8332 51332 | 160 | 270 | 87 | 3 | 455 | |
| |
8134 51134 | 170 | 215 | 34 | 1.1 | 131 | |
| |
8134K 51134J | 170 | 215 | 34 | 1.1 | 131 | |
| |
8234 51234 | 170 | 240 | 55 | 1.1 | 281 | |
| |
8234K 51234J | 170 | 240 | 55 | 1.5 | 281 | |
| |
8334 51334 | 170 | 280 | 87 | 4 | 470 | |
| |
8136 51136 | 180 | 225 | 34 | 1.1 | 151 | |
| |
8136K 51136J | 180 | 255 | 34 | 1.1 | 151 | |
| |
8236 51236 | 180 | 250 | 56 | 2 | 295 | |
| |
8236K 51236J | 180 | 250 | 56 | 2 | 295 | |
| |
8336 51336 | 180 | 300 | 95 | 3 | 515 | |
| |
8436 51436 | 180 | 360 | 140 | 5 | 540 | |
| |
8138 51138 | 190 | 240 | 37 | 1.1 | 178 | |
| |
8138K 51138J | 190 | 240 | 37 | 1.1 | 178 | |
| |
8238 51238 | 190 | 270 | 62 | 3 | 355 | |
| |
8238K 51238J | 190 | 270 | 62 | 3 | 355 | |
| |
8338 51338 | 190 | 320 | 105 | 4 | 607 | |
版权@2017瓦房店光阳轴承股份有限公司 辽ICP备19015531号-1