
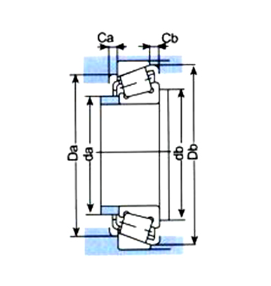
| 询购 | 型号 | 基本尺寸 (mm) | 详情 | ||||
| d | D | T | B | C | |||
| |
7324E 30324 | 120 | 260 | 59.5 | 55 | 46 | |
| |
27324E 31324 | 120 | 260 | 68 | 62 | 42 | |
| |
7624E 32324 | 120 | 260 | 90.5 | 86 | 69 | |
| |
2007926 32926X2 | 130 | 180 | 32.5 | 30 | 26 | |
| |
2007126 32026X2 | 130 | 200 | 45.5 | 42 | 36 | |
| |
7226E 30226 | 130 | 230 | 43.75 | 40 | 34 | |
| |
7526E 32226 | 130 | 230 | 67.75 | 64 | 54 | |
| |
7326E 30326 | 130 | 280 | 63.75 | 58 | 49 | |
| |
27326E 31326 | 130 | 280 | 72 | 66 | 44 | |
| |
7626 7626 | 130 | 280 | 99.5 | 93 | 78 | |
| |
2007128E 32028 | 140 | 210 | 45 | 45 | 34 | |
| |
2007128 32028X2 | 140 | 210 | 45.5 | 42 | 36 | |
| |
67728 67728 | 140 | 230 | 58 | 57 | 45 | |
| |
7728 7728 | 140 | 230 | 58 | 57 | 45 | |
| |
7228E 30228 | 140 | 250 | 45.75 | 42 | 36 | |
| |
7528E 32228 | 140 | 250 | 71.75 | 68 | 58 | |
| |
2007928 32928X2 | 140 | 190 | 32.5 | 30 | 26 | |
| |
7328E 30328 | 140 | 300 | 67.75 | 62 | 53 | |
版权@2017瓦房店光阳轴承股份有限公司 辽ICP备19015531号-1